четверг, 17 ноября 2022 г.

Volvo 850 Wiring Diagram 1995, 1990 Volvo 740 Gl Wiring Diagram

Volvo 850 Wiring Diagram 1995 1990 Volvo 740 Gl Wiring Diagram

Volvo 850 keyless entry system service manual

Schema d13 ignition appreciated ineed b23f. Volvo 850 keyless entry system service manual. Volvo 850 engine cooling fan. B2300 window dictator

Volvo Hu 850 Wiring Diagram - Complete Wiring Schemas

Volvo Hu 850 Wiring Diagram - Complete Wiring Schemas

Download VOLVO 850 Service Repair Manual 1995 1996 Download

Download VOLVO 850 Service Repair Manual 1995 1996 Download

How can I get a wiring diagram for a 1992 Volvo 940. There is a problem

How can I get a wiring diagram for a 1992 Volvo 940. There is a problem

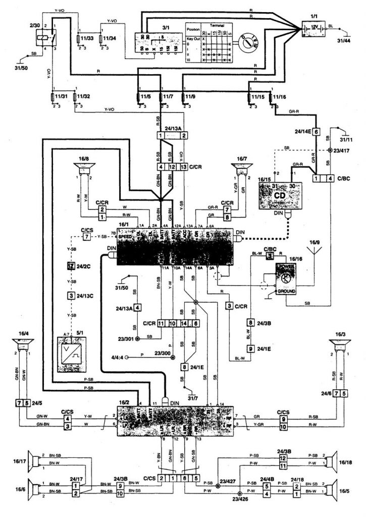
Volvo 850 (1996 - 1997) - wiring diagrams - audio - Carknowledge.info

Volvo 850 (1996 - 1997) - wiring diagrams - audio - Carknowledge.info

Volvo 850 (1996) Wiring Diagrams

Volvo 850 (1996) Wiring Diagrams

Комментариев нет:

Отправить комментарий